コンクリートやブロック壁に直接打てる特殊な強じんなピン。 サドル部分はナイロン製。品番 PS-5-JP 適用電線 VVF2.0×3C / VVF2.6×3C 寸法 A24.8 B25 C10 D16.8 E7.5
- JAPPY ピンサドル 一覧
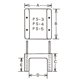
品番 適用電線 寸法 入数 価格 A B C D E PS-2-JP 同軸5C 2C 14.5 12 9.5 7.3 7.3 50 PS-3-JP VVF1.6×2C/2.0×2C 18.5 18 8.8 10.2 6.3 50 PS-4-JP VVF2.6×2C/1.6×3C 21.5 22 8.8 12.6 6.3 50 PS-5-JP VVF2.0×3C/2.6×3C 24.8 25 10 16.8 7.5 50


