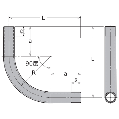
- 品番 NZ36
タイプ 厚鋼用/鋼管製
表面処理 溶融亜鉛メッキ
寸法 R:170mm a:80mm L:250mm ねじ切り長さ:25mm
質量 1005g
- 外山電気 ノーマルベンド 薄鋼用・厚鋼用 一覧
品番 タイプ R
(mm)a
(mm)L
(mm)ネジ切部
(mm)重量(g) N25 薄鋼用 120 50 170 15 235 N31 150 60 210 17 430 N39 180 75 255 19 600 N51 230 100 330 22 1070 N63 290 120 410 25 2010 N75 350 150 500 28 3000 NZ16 厚鋼用 90 60 150 16 250 NZ22 110 70 180 19 400 NZ28 140 75 215 22 650 NZ36 170 80 250 25 1005 NZ42 210 85 295 25 1405 NZ54 235 110 345 28 2165 NZ70 275 150 425 32 3480 NZ82 310 200 510 36 5045 NZ92 355 220 575 36 7940 NZ104 395 250 645 39 10000


