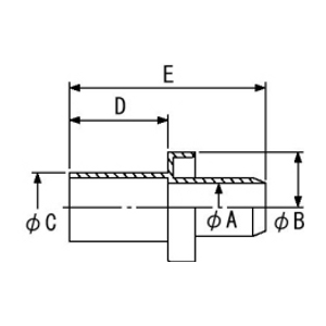
- 本体カフスφ20 DSH-20NC VP管接続用
断熱ドレンホースをVP管継手に接続する際に使用される商品です。
VP管側の口元寸法(外径φC)はVP管の外径に準じています。
・材質:PVC
・適合ドレンホース:DSH-20N
こちらの商品はいかがですか?
|
¥1,800(税込)
|
¥3,800(税込)
|
¥11,600(税込)
| |
|
¥1,200(税込)
|
¥19,800(税込)
|
¥3,300(税込)
|
¥1,600(税込)
|


