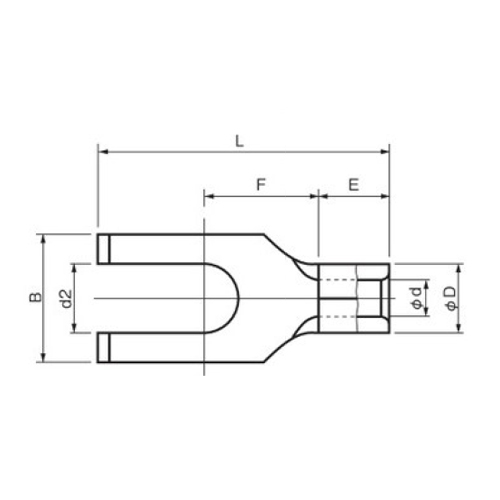
■取寄品です (メーカー在庫ありの場合、2~3営業日の間に発送予定) ※他のサイズは下記の一覧表よりお選び下さい品番 1.25Y-5W (100個) 寸法 φd2:5.3mm B:7.7mm L:14.0mm F:5.6mm
E:4.5mm φD:3.4mm φd:1.7mm
電線抱合範囲 単線:0.57~1.44
撚線:0.25~1.65
AWG:22-16
適用工具 NH1 / NH61 / NH69
本体:NA10 / NA3
ヘッド:N10 01 / N3 7
規格 UL・CSA登録品
こちらの商品はいかがですか?
|
¥1,800(税込)
|
¥3,800(税込)
|
¥11,600(税込)
| |
|
¥1,200(税込)
|
¥19,800(税込)
|
¥3,300(税込)
|
¥1,600(税込)
|



