架線金物・電設資材の通販サイト
電材39オンラインショップ

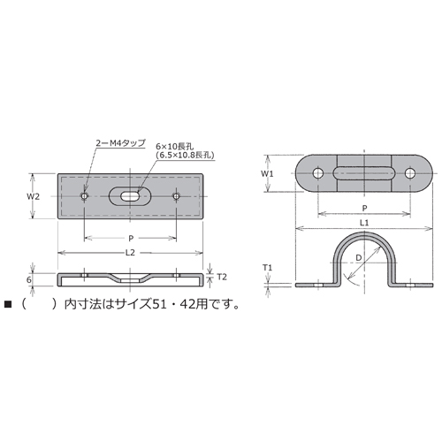
SBZ型 サドルベースキット SBZ28 (10個)


・サイズ:28
・適合電線管:G28
・寸法 D:33.5 W1:25 W2:25 L1:90 L2:94 T1:1.2 T2:1.6 P:65
・皿ビスSUS:M5×30
・プラグ下穴径:8.5φ
・重量:82g
・鋼製電線管用・硬質ビニル電線管用
・表面処理 溶融亜鉛めっき

外山電気 SBZ型 サドルベースキット
品番 サイズ 適合電線管 D W1 W2 皿ビス
SUS
プラグ
下穴系
重量
(g)
SBZ16 16 G16 21.5 20 25 M5×30 8.5φ 46
SBZ22 22 G22,VE22,HIVE22 27.0 20 25 50
SBZ28 28 G28 33.5 25 25 82
SBZ36 36 G36,VE36,HIVE36 42.0 25 25 91
SBZ42 42 G42,VE42,HIVE42 48.0 25 26 M6×40 10.5φ 134

外山電気 SBZ型 サドルベースキット 溶融亜鉛メッキ SBZ28 (10個)

¥7,480(税込)
商品コード
734-3939-0003
品番
SBZ28
サイズ
28
在庫
取寄品 (2~4営業日の間に発送予定)

サイズ

16
22
28
36
42
選択されたサイズ:28

ユーザーレビュー

この商品に寄せられたレビューはまだありません。

こちらの商品はいかがですか?